液下离心泵的结构图
1. 液下离心泵采用独特的单叶片或双叶片轮结构,大大提高了污物通过能力,能有效的通过泵口径的5倍纤维物质与直径为泵口径约50%的固体颗粒。
2. 液下离心泵的机械密封采用新型硬质耐腐的碳化钨材料,同时将密封改进为双端面密封,使其长期处于油室内运行,可使泵安全连续运行8000小时以上。
3. 液下离心泵为立式结构,工作时泵体浸在液体中,因而很容易起动,不存在排气抽空问题,同时具有无泄漏等特点,液下深度可达0.5~7米。
4. 液下离心泵整体结构设计合理、噪声小、节能效果显著、检修方便。
5. 接抽结构先进可靠,泵与电动机采用挠性联轴器连接,泵轴尺寸精密,保证了泵平稳运行,留有足够的安全系数。
6. 液下离心泵能够在全扬程范围内使用,从而保证电机不会过载。
7. 可根据用户需要配备液位自动控制柜,根据所需液位变化,自动控制泵的起动与停止,不需专人看管,使用极为方便。
三、液下离心泵的使用范围:
1.介质温度不超过70℃,介质重度为1~1.3kg/dm3。
2.铸铁材质的使用介质PH值在5~9范围内。
3.1Cr18Ni9Ti不锈钢可使用各种带腐蚀性介质。
注:用户如有特殊的温度、介质等要求请在订货时注明输送介质的详细情况,以便本单位提供更为可靠之产品。 
适用于化工、石油化工、制药、采矿、造纸工业、水泥厂、炼钢厂、电厂、煤加工工业,以及城市污水处理厂排水系统、市政工程、建筑工地等行业,输送带颗粒的污水、污物,也可用于抽送清水及带腐蚀性介质
广泛用于化工、石化、冶炼、染料、农药、制药、稀土、化肥等行业,在贮罐上输送不含悬浮固体颗粒,不易结晶,温度不高于100℃的各种非氧化性酸(盐酸、稀硫酸、甲酸、醋酸、丁酸)等腐蚀介质的最理想设备。
四、液下离心泵的特点:
液下离心泵体积小、噪声小、节能效果显著,检修方便,无需建泵房,潜入水中即可工作,大大减少工程造价。液下离心泵可根据用户需要配备全自动安全保护控制柜,对泵的漏水、漏电、过载及超温等进行绝对保护,提高了产品的安全性与可靠性。浮球开关可以根据所需液变化,自动控制泵的起动与停止,不需专人看管,使用极为方便。液下离心泵可根据用户需要配备双导轨自动耦合安装系统,它给安装、维修带来极大方便,人可不必为此而进入污水坑。液下离心泵能够在全扬程范围内使用,而保证电机不会过载。
五、液下离心泵的型号意义:

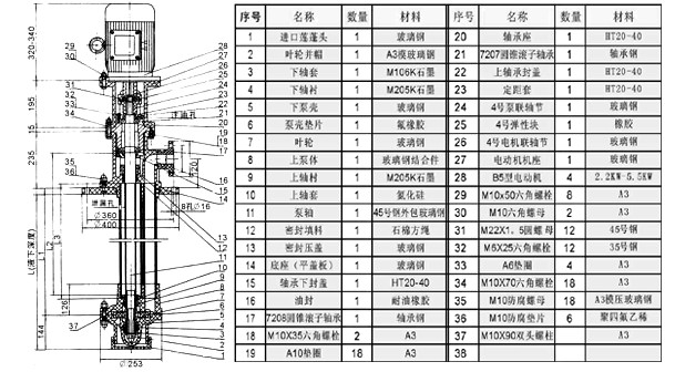
六、液下离心泵的结构图:
七、液下离心泵的性能参数:
| 
 型号  | 
 流量Q  | 
 扬程H  | 
 转速  | 
 功率N  | 
 效率n  | |||
| 
 m 3 /h  | 
 L/s  | 
 轴  | 
 电机  | |||||
| 
 25WSY-22  | 
 a型  | 
 2.88  | 
 0.80  | 
 22  | 
 2900  | 
 1.35  | 
 2.2  | 
 13  | 
| 
 4.05  | 
 1.12  | 
 18  | 
 1.18  | 
 17  | ||||
| 
 6.48  | 
 1.80  | 
 15  | 
 1.06  | 
 25  | ||||
| 
 25WSY-30  | 
 2.88  | 
 0.80  | 
 30  | 
 2900  | 
 1.85  | 
 3  | 
 13  | |
| 
 6.48  | 
 1.80  | 
 20  | 
 2.10  | 
 17  | ||||
| 
 9.00  | 
 2.52  | 
 15  | 
 1.45  | 
 25  | ||||
| 
 40WSY-25  | 
 5.76  | 
 1.60  | 
 25  | 
 2900  | 
 2.85  | 
 4  | 
 14  | |
| 
 8.10  | 
 2.24  | 
 20  | 
 1.09  | 
 21  | ||||
| 
 13.32  | 
 3.70  | 
 15  | 
 1.83  | 
 30  | ||||
| 
 40FSY-22  | 
 8.10  | 
 2.24  | 
 22  | 
 2900  | 
 1.09  | 
 3  | 
 44  | |
| 
 15.84  | 
 4.4  | 
 18  | 
 1.45  | 
 53  | ||||
| 
 20.00  | 
 5.50  | 
 15  | 
 1.83  | 
 44  | ||||
| 
 40FSY-18  | 
 6.48  | 
 1.80  | 
 18  | 
 2900  | 
 1.00  | 
 2.2  | 
 32  | |
| 
 15.00  | 
 4.17  | 
 15  | 
 1.20  | 
 51  | ||||
| 
 21.60  | 
 6.00  | 
 12  | 
 1.76  | 
 42  | ||||
| 
 40WSY-50  | 
 b型  | 
 6.48  | 
 1.80  | 
 50  | 
 2900  | 
 6.35  | 
 7.5  | 
 14  | 
| 
 8.64  | 
 2.40  | 
 45  | 
 5.56  | 
 19  | ||||
| 
 14.40  | 
 4.00  | 
 35  | 
 4.76  | 
 30  | ||||
| 
 40FSY-35  | 
 10  | 
 2.8  | 
 34  | 
 2900  | 
 1.86  | 
 4  | 
 50.6  | |
| 
 20  | 
 5.5  | 
 30  | 
 2.62  | 
 64  | ||||
| 
 30  | 
 8.3  | 
 24  | 
 3.09  | 
 63.5  | ||||
| 
 50FSY-35  | 
 30  | 
 8.3  | 
 35  | 
 2900  | 
 4.94  | 
 7.5  | 
 58  | |
| 
 45  | 
 1.5  | 
 32  | 
 5.59  | 
 70  | ||||
| 
 55  | 
 15.1  | 
 28  | 
 6.33  | 
 66  | ||||
| 
 50FSY-35A  | 
 25  | 
 7.0  | 
 26  | 
 2900  | 
 2.83  | 
 5.5  | 
 63  | |
| 
 35  | 
 9.7  | 
 25  | 
 3.35  | 
 70  | ||||
| 
 45  | 
 12.5  | 
 22  | 
 3.87  | 
 69  | ||||
| 
 50FSY-20  | 
 18  | 
 5.0  | 
 20  | 
 2900  | 
 1.64  | 
 4  | 
 60  | |
| 
 30  | 
 8.3  | 
 16  | 
 2.4  | 
 55  | ||||
| 
 35  | 
 9.7  | 
 12  | 
 2.6  | 
 44  | ||||
| 
 80FSY-35  | 
 56  | 
 15.5  | 
 35  | 
 2900  | 
 8.45  | 
 15  | 
 63  | |
| 
 92  | 
 25.5  | 
 29  | 
 10.1  | 
 72  | ||||
| 
 110  | 
 30.5  | 
 25  | 
 10.80  | 
 69  | ||||
| 本篇文章来源:http://www.bttyby.com/xwzx/1611.html 齿轮油泵厂家 转载请保留链接。 更多产品:高粘度泵 高粘度泵 http://www.bttyby.com/cpzx/gnd/ | 沥青泵 沥青泵 http://www.bttyby.com/cpzx/bwb/1589.html |保温泵 保温泵 http://www.bttyby.com/cpzx/bwb/ |不锈钢泵 不锈钢泵 http://www.bttyby.com/cpzx/bxg/|三螺杆泵 三螺杆泵 http://www.bttyby.com/cpzx/lgb/9.html| 化工泵 化工泵 http://www.bttyby.com/cpzx/bwb/1597.html |船用泵 船用泵 http://www.bttyby.com/cpzx/yb/1598.html |汽柴油专用齿轮泵 汽柴油专用齿轮泵 http://www.bttyby.com/cpzx/bxg/1599.html  | ||||||||
